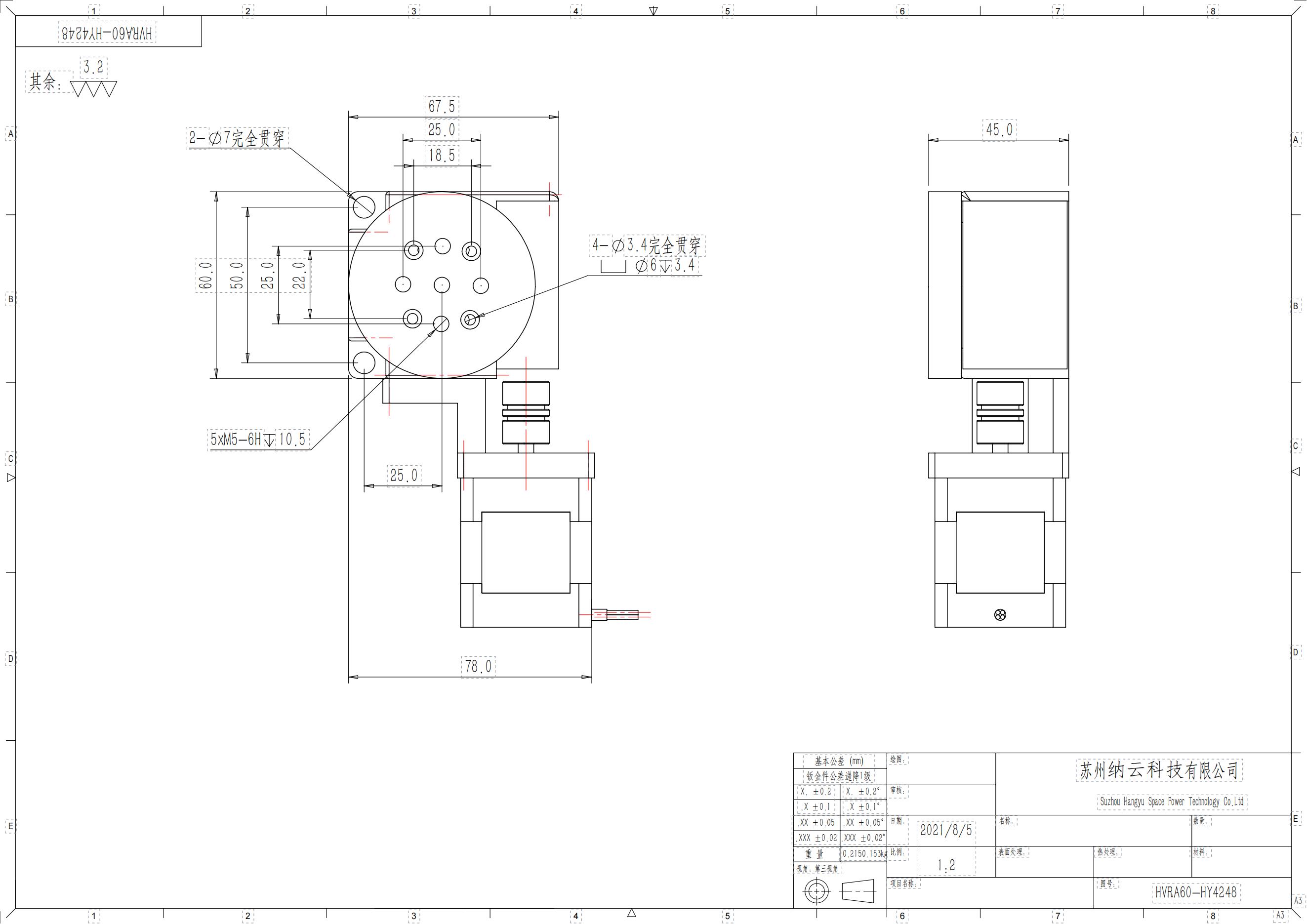
真空旋转台用于真空环境、高低温环境、耐辐射环境,产品设计先进独特,结构合理,品质稳定。被各高校院所、科研院所和企业用户广泛使用。在线定制热线:15680607423



关于纳云
ABOUT NAYUN
苏州纳云机电科技有限公司,专注于超高真空、高低温、耐辐射环境的精密运动系统及其自动化的研究。
公司经营范围:特种(真空、高温、低温)电机,真空减速机,高低温丝杆,高低温直线滑轨,成套定位运动系统和解决方案,真空电动位移台,真空旋转台,高低温位移台,真空促动器,光学调整镜架等。
企业文化:以人为本,始终贯彻利他思维
品牌精神:持之以恒 行胜于言 敬业报国
经营理念:合作、共赢、整合、利他、互助
竟挣理念:只有合作伙伴、没有竞争对手
团队理念:目标同向、负重领先、默契信任、风险共担
产品设计先进独特,结构合理,品质稳定。被各高校院所、科研院所和企业用户广泛用于机械、电子、冶金、医疗、化工、卫生、教育、国防等领域。
产品特点:
真空/高温/低温/环境使用
真空度:1.0x10-7Pa
耐辐射106Gy
特种电机主要用于精确定位的,主要有真空步进电机与真空伺服电机:
真空步进电机采用全新设计,选用特殊材料,通过新工艺对电机进行制造、检测,最低温度达到-196。,最高温度达到+300。真空度优于1.0x10-7Pa。
标准设计28、35、42、57、86框号两相四线制混合式步进电机,还可以根据需要订制其它规格电机,或定制耐辐射、耐霉菌、耐冲击、双出轴等特殊要求。
高洁净度的使用环境,特别是材料的选择,后处理工艺使其在高洁净度的环境中表现出色,应客户需求与第三方工厂联合开发相应等级的减速机。
在线定制热线:15680607423
真空旋转台用于真空环境、高低温环境、耐辐射环境,产品设计先进独特,结构合理,品质稳定。被各高校院所、科研院所和企业用户广泛使用。
联系人:崔经理
手 机:15680607423
邮 箱:cuixubao@sznayun.com
公 司:苏州纳云机电科技有限公司
地 址:昆山市张浦镇沪光路168号诠能产业园2号楼北2F